
A recent scientific publication highlights advancements in non-invasive, impedance-based cancer diagnostics, referencing the measurement technology developed by Sciospec. The article “Progressive Approaches in Oncological Diagnosis and Surveillance: Real-Time Impedance-Based Techniques and Advanced Algorithms”, published on January 25, 2025, explores how electrical impedance measurement contributes to early cancer detection and supports personalized medicine.
*Ramaswamy, V. D., & Keidar, M. Progressive Approaches in Oncological Diagnosis and Surveillance: Real-Time Impedance-Based Techniques and Advanced Algorithms. Wiley (2025). https://onlinelibrary.wiley.com/doi/epdf/10.1002/bem.22540?saml_referrer=
Cancer remains one of the most pressing global health challenges, with early detection and accurate diagnostics being critical factors in improving patient outcomes. Despite significant advancements in medical technology, there are still hurdles in achieving non-invasive, real-time monitoring of tumor development and differentiation between malignant and healthy cells. Addressing these challenges is key to advancing precision medicine and improving treatment efficacy
Curious to learn more about Cancer Detection ? Check out our detailed FAQ section.
Traditional biopsy methods are often invasive, time-consuming, and limited to a single snapshot in time. This can delay diagnosis and prevent real-time treatment adjustments. Non-invasive and continuous monitoring, on the other hand, allows for dynamic insights into tumor progression and response to therapy, enabling clinicians to adapt treatment strategies more effectively. Real-time differentiation between malignant and healthy cells ensures that therapies target only cancerous tissue, reducing unnecessary side effects and improving patient outcomes.
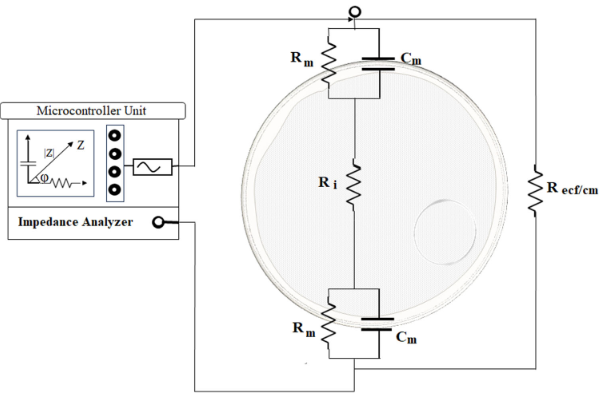
The publication applied impedance measurements to analyze the electrical properties of cancerous and healthy tissues. This approach offers a non-invasive, label-free alternative to conventional diagnostics, allowing researchers to identify unique electrical signatures associated with tumors. One of the key advantages of this method is its ability to provide continuous in vivo monitoring, giving scientists and clinicians real-time insights into tumor progression and treatment response.
Looking for more answers? Keep reading to learn more. We also have a detailed FAQ section further down. Or take the shortcut and directly reach out to us.
Sciospec provides adaptable solutions that seamlessly integrate into various research and medical scenarios. From biochip adapters optimized for cell-based research, to in-vivo tissue measurements enabled by our EIT device, and even custom solutions for 3D-organoid studies, our instruments support cutting-edge investigations. We take pride in knowing that our technology is contributing to advancements in cancer diagnostics and precision medicine.
Sciospec has long been a leading provider of high-precision impedance measurement systems, frequently cited in scientific publications. Our systems enable:
Our technologies including biochip adapters facilitate access to powerful diagnostic methods for researchers.
Our experts are ready to help you understanding how this technology works and how you can apply and integrate it into your work. Get in touch today to get a personalized consultation to enhance your work with our advanced solutions
Cancer cells exhibit altered cellular and membrane electrical properties. Impedance measurement accurately detects these differences in real time.
It provides a fast, non-invasive, and label-free analysis, eliminating the need for external markers and enabling continuous monitoring.
Yes, this method allows for continuous in vivo monitoring, enabling direct observation of tumor dynamics and treatment effects
Studies show that the technique is highly sensitive to tissue changes, making it a promising option for early cancer detection.
Modern AI-driven algorithms analyze large volumes of impedance data, significantly improving the accuracy of cancer detection.
This new scientific publication underscores the potential of impedance measurement technology in cancer research and personalized medicine. Thanks to Sciospec’s high-precision measurement technology, scientists and medical professionals can develop new diagnostic procedures that could revolutionize early cancer detection.
If you are working on similar challenges in cancer diagnostics or need advanced impedance measurement solutions for your research, our technology can help.
🚀 Get in touch with Sciospec today to explore how our impedance solutions can power your research.
💡Curious for more? Check out our latest developments and products.
🧪Want to try it yourself? Contact us for more information
🚀Looking for a tailored solution? Our experts can help!
📢 Follow us on LinkedIn for more updates.
#Innovation #Sciospec #ImpedanceTomography #NoninvasiveCancerDetection #Real-time tumor monitoring #Invivocancerdetection #Cancerbiomarkers
explore by relevant keywords
…or just browse our most recent posts: